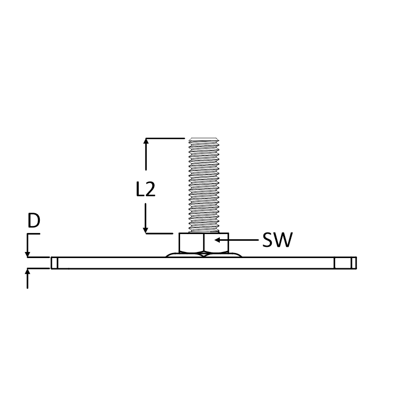
Grondplaat met buitendraad

Afmetingen

M8 - M10

Materiaal

Elektrolytisch verzinkt

Filters:
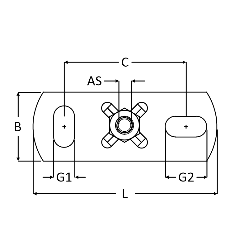
Artikel Nr. AS L x B x D Materiaal Behandeling vpe x aantal = totaal
Artikel Nr.540.20.0825 M8 80 x 30 x 3 Staal ELVZ
100 x= 100

Buy Now

100 x= 100

Buy Now

Artikel Nr.540.20.1035 M10 80 x 30 x 3 Staal ELVZ
100 x= 100

Buy Now

100 x= 100

Buy Now

Specificaties : grondplaat voor bevestiging aan vloer, muur of plafond.
Toepassing : licht tot middelzware bevestigen van draad producten / pijpbeugels.
Bevestigen : sleufgaten in de wandplaat onder 90° tegen over elkaar voor beter montage mogelijkheden.
Gelast : draadbout is op zetting gelast voor extra stevigheid en kwaliteit.
Materiaal : staal DC01 – En10130 elektrolytisch verzinkt (gem. min. 8 µm).
Max. load : zie tabel.